その他オプション:直管型無振動継手

ターボ分子ポンプ(TMP)やロータリーポンプ(RP)が発生する振動を装置に伝えない継手です。

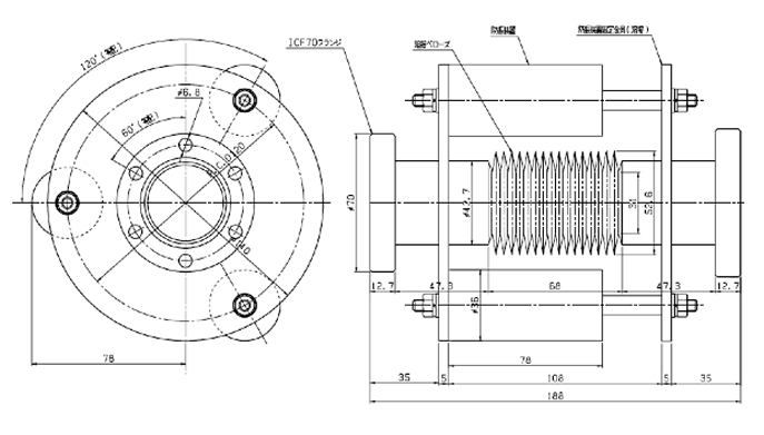
本写真の製品は、ICF-70のフランジ仕様の一例です。

その他オプション:直管型無振動継手

製品は、溶接ベローズと防振材(減衰材付加)で、防振材以外は、全てステンレス仕様となります。

その他オプション:直管型無振動継手

カタログダウンロード

ページ先頭へ戻る

性能

10Hzの共振点で共振倍率が14dBとなり、14Hz以上で共振倍率0dB以下となり優れた性能を発揮します。

その他オプション:直管型無振動継手

測定は、下図の様な試験体を組み合わせ、測定点B/測定点Aとした。

その他オプション:直管型無振動継手

ページ先頭へ戻る